访问中心
新闻
研究成果
人员搜索
加入我们
怀念旧版
首页
中心概况
中心简介
年度简报
管理委员会
学术委员会
主任致辞
现任领导
组织机构
历史与沿革
荣誉与奖励
合作与交流
技术平台
分析测试平台
制备加工平台
产业发展中心
科学与发现
新结构
新性能
新工艺
新方法
材料理论
人才队伍
人才概况
杰出人才
研究队伍
技术队伍
管理团队
合作团队
年度优秀
首页
新结构
新性能
新工艺
新方法
材料理论
您当前的位置:
首页
>
科学与发现
>
新性能
科学与发现
Discovery
新结构
新性能
新工艺
新方法
材料理论
发现二维层状MoSi2N4材料家族
以石墨烯为代表的二维范德华层状材料具有独特的电学、光学、力学、热学等性质,在电子、光电子、能源、环境、航空航天等领域具有广阔的应用前景。目前广泛研究的二维层状材料,如石墨烯、氮化硼......
发现空位诱导的二维材料薄膜超快离子传输化
纳米孔道中的离子传输对能量存储和转换应用至关重要,如质子和锂离子传导膜分别是燃料电池和锂离子电池的关键材料。杜邦公司生产的Nafion膜是目前最常用的商业质子传导膜,它以磺酸基为质......
块体非晶合金的加工硬化行为
加工硬化,即材料随变形量的增加而增强的力学行为,它反映材料在均匀塑性变形区抵抗进一步变形的能力,是工程材料力学行为最重要的现象,也是金属作为结构材料广泛应用的重要依据。非晶合金,也......
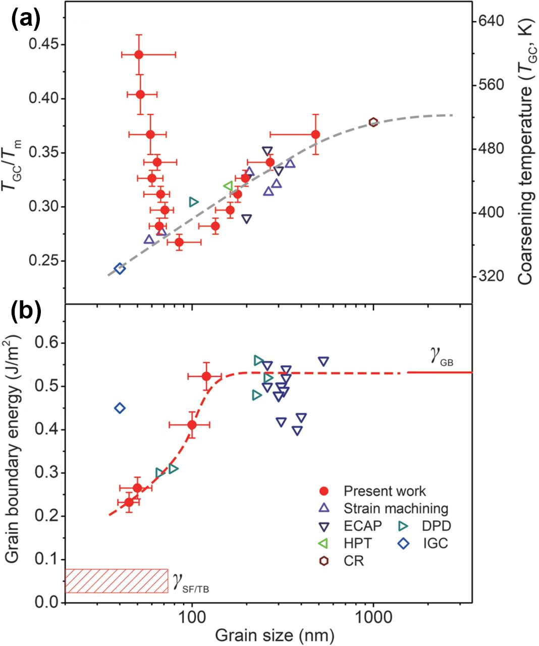
发现纳米金属反常热稳定性
金属晶粒细化至纳米尺寸可以大幅提高其强度和硬度,但由于引入大量晶界,纳米金属材料的结构稳定性变低,晶粒长大倾向明显。本研究发现,对于塑性变形制备的纳米晶,上述典型不稳定行为只......
梯度纳米孪晶金属的额外强化和加工硬化
近年来,微观结构梯度的概念被越来越多地应用于工程材料中。鉴于其独特的变形机制,梯度结构材料普遍表现出较好的强度、硬度、加工硬化及抗疲劳性能等。但如何理解结构梯度对力学性能的影响规律......
基于石墨烯-氮化硼异质结构弹道输运pn结的电子光学实验观测
石墨烯-氮化硼平面异质结构自2010年首次报道以来受到了凝聚态物理研究人员的广泛关注,并衍生了二维原子晶体的人工堆垛结构的研究分支。由于氮化硼提供了化学惰性、原子级别平整、无电荷掺......
拓扑绝缘体材料中不饱和线性磁电阻
磁电阻的材料由于其在基础研究和器件应用中所起巨大作用而倍受关注。研究发现材料的经典磁电阻随外磁场具有二次方关系,在大磁场下, 磁电阻趋于饱和。特殊的是,非饱和线性磁电阻存在于具有开......
面向公众
新闻
科普天地
历史与沿革
加入我们
访问中心
联系我们
面向研究人员
技术平台
学术会议
科学与发现
组织机构
加入我们
访问中心
联系我们
面向学术界
科学与发现
学术会议
技术平台
合作与交流
加入我们
访问中心
联系我们
面向企业界
合作与交流
技术平台
成果转化
加入我们
访问中心
联系我们
Developed by SYNL. Copyright © 沈阳材料科学国家研究中心.
辽ICP备05005387号-9